导轨式TTL转RS485电气隔离型串口转换器 600W防雷防浪涌多种隔离保护

TVS瞬态电压抑制管 600W防雷击防浪涌 15千伏静电保护 1200米传输
价格
原价
型号
TTL TO RS485 (B)
SKU
23778
品牌
Waveshare
价格参考
  • {{tax.tax_name}}
数量 {{price.num}}+
价格
数量
- +
 

7天无理由退换

  • 产品详情
  • 产品资料
  • 配置清单
  • 保修&售后服务

导轨式 TTL 转 RS485

电气隔离型串口转换器

导轨式 TTL 转 RS485 电气隔离型串口转换器主图 导轨式 TTL 转 RS485 电气隔离型串口转换器主图

产品特性

  • 兼容 TTL/RS485 标准,可将 TTL 信号转换成差分 RS485 信号,半双工通信
  • 兼容 3.3V ~ 5V TTL 信号电平,供电端带防反接和防过压电路
  • 板载一体式电源隔离,可提供稳定的隔离电压,隔离端无须额外供电
  • 板载一体式数字隔离,可进行信号隔离,具有可靠性高、抗干扰强和功耗低等特点
  • 板载 TVS (瞬态电压抑制管),可有效抑制电路中的浪涌电压和瞬态尖峰电压,防雷防静电
  • 板载自恢复保险丝和保护二极管,可确保电流和电压稳定输出,防过流过压,提高抗冲击能力
  • 板载 RS485 输出终端 120R 电阻,可开关切换使能,方便操作
  • 工业导轨式 ABS 环保外壳,体积小巧,安装方便,性价比高

产品参数

产品类型 电气隔离型 TTL 转 RS485 串口转换器
供电接口 供电电压 3.3V ~ 5V
接口保护 防过压、防反接
设备接口 兼容 TTL / RS485 标准
TTL 接口 接口形式 接线端子
传输距离 小于 10 米
传输模式 点对点
RS485 接口 接口形式 接线端子
接口保护 提供 600W 防雷、防浪涌和 15KV 静电保护
终端电阻 120R,可通过拨码开关切换使能
传输距离 约 1200 米
传输模式 点对多
(至多 32 个节点,16 个节点以上建议加中继器)
产品外观 外壳 导轨式 ABS 环保外壳,适用于 35mm DIN 导轨
尺寸 91.6 × 58.7 × 23.3mm

基本功能

将 TTL 信号转换成平衡差分的 RS485 信号,可用于接口转换,
扩充节点,也可用于延长通信距离

导轨式 TTL 转 RS485 电气隔离型串口转换器基本功能

导轨式串口服务器

导轨安装使用更加方便,扁平式设计可用于组合式并排使用,自由度更高

导轨式 TTL 转 RS485 电气隔离型串口转换器导轨式串口服务器

多重保护 安全耐用 通信稳定

板载电源和信号双隔离,可提供稳定的隔离电压,可靠性高、抗干扰强;内置防雷管和 TVS 瞬态电压抑制管,可有效抑制电路中的浪涌电压和瞬态尖峰电压,防雷防静电;板载自恢复保险丝和保护二极管,可确保电流和电压稳定输出,防过流过压,提高抗冲击能力

导轨式 TTL 转 RS485 电气隔离型串口转换器多重保护

接口简介

导轨式 TTL 转 RS485 电气隔离型串口转换器接口简介
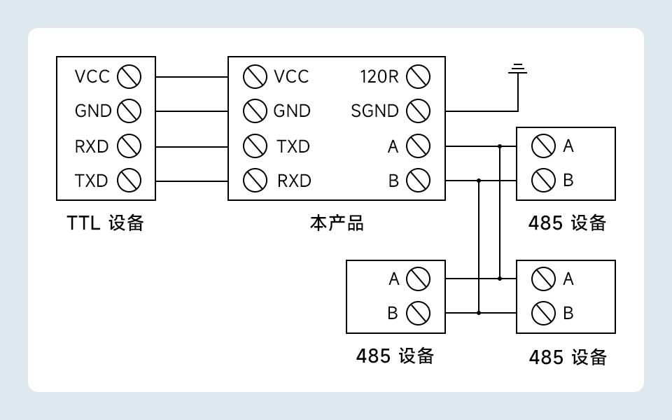
上侧端子接口说明 下侧端子接口说明
VCC 电源正
DC 3.3V ~ 5V 供电
拨码开关 120R 使能开关
GND 电源地 SGND 485 信号地
TXD TTL 信号发送引脚 A+ RS485 差分信号正
RXD TTL 信号接收引脚 B- RS485 差分信号负

通信连接示意图

TTL 与 RS485 接口转换,点对点,半双工通信,适用于接口转换

导轨式 TTL 转 RS485 电气隔离型串口转换器通信连接示意图

TTL 与 RS485 接口转换,点对多,半双工通信,适用于扩充通信节点

导轨式 TTL 转 RS485 电气隔离型串口转换器通信连接示意图

通过两组 TTL 与 RS485 接口转换,点对点,半双工通信,
适用于延长 TTL 的通信距离

导轨式 TTL 转 RS485 电气隔离型串口转换器通信连接示意图

应用领域

可广泛应用于主控机之间、主控机与单片机或外设之间,构成点对点、点对多点远程多机通信网络,实现多机应答通信,或者其他需要用到 TTL 转 RS485 转换的工业自动化、物联网等应用场景

导轨式 TTL 转 RS485 电气隔离型串口转换器应用领域

产品展示

导轨式 TTL 转 RS485 电气隔离型串口转换器产品展示

产品尺寸

导轨式 TTL 转 RS485 电气隔离型串口转换器产品尺寸

资料及服务

微雪资料及服务
  • 认准微雪正品
  • 专业技术支持
  • 丰富的资料教程
(例程资料以链接中实际给出的为准)

配置清单

  1. TTL TO RS485 (B) × 1
  2. 螺丝刀 × 1

 

保修服务


保修1年



免费保修


保修期内,正常使用下产生的质量问题,比如按键不灵、开关不响应、LED亮度不佳等。
注意:核心器件不属于免费保修范围(包括但不限于CPU、FLASH、 SDRAM 等芯片)。




收费保修


非正常使用情况下产生的质量问题,视损坏程度收取维修费,包括但不限于:
• 供错电压、磕碰、浸水、杂异物进入板内,导致功能损坏
• 用户自行拆卸或焊接零件,修改电路板,导致功能损坏
• 未按用户手册操作,比如供电状态下强行插拔等,导致功能损坏




特殊说明


若产品含有其他配件,配件的保修以其自身保修条款为准,包括但不限于:
• 比如开发板中包含LCD配件,那么,它的保修参照对应LCD的保修条款执行
• 树莓派/NVIDIA/ST等原装进口产品,因国外返修费用高昂,无法保修

售后服务



• 售后服务仅限产品本身,不包括教导相关软件使用等(配套资料已有说明书及软件使用教程)
• 不负责上门服务

• 可通过以下方式联系我们:点击查看