TTL转RS485电气隔离型串口转换模块 半双工通信防雷防浪涌多种隔离保护

黑色沉金工艺 多种电气隔离保护 兼容 TTL/RS485 标准
价格
原价
型号
TTL TO RS485 (C)
SKU
27479
品牌
Waveshare
价格参考
  • {{tax.tax_name}}
数量 {{price.num}}+
价格
数量
- +
 

7天无理由退换

  • 产品详情
  • 产品资料
  • 配置清单
  • 保修&售后服务

TTL 转 RS485
电气隔离型 串口转换模块

邮票孔沉金工艺,尺寸小巧,方便集成嵌入使用

导轨式 TTL 转 RS422 电气隔离型串口转换器主图 导轨式 TTL 转 RS422 电气隔离型串口转换器主图

产品特性

  • 兼容 TTL/RS485 标准,可将 TTL 信号转换成差分 RS485 信号,半双工通信
  • 兼容 3.3V ~ 5V TTL 信号电平,供电端带防过压电路
  • 板载一体式电源隔离,可提供稳定的隔离电压,隔离端无须额外供电
  • 板载一体式数字隔离,可进行信号隔离,具有可靠性高、抗干扰强和功耗低等特点
  • 板载 TVS (瞬态电压抑制管),可有效抑制电路中的浪涌电压和瞬态尖峰电压,防雷防静电
  • 板载自恢复保险丝和保护二极管,可确保电流和电压稳定输出,防过流过压,提高抗冲击能力
  • 板载 RS485 输出终端 120R 电阻,可通过焊接切换使能
  • 采用黑色沉金工艺,体积小巧,方便集成嵌入使用

产品参数

产品类型 电气隔离型 TTL 转 RS485 串口转换器
供电接口 供电电压 3.3V ~ 5V
接口保护 防过压
设备接口 兼容 TTL / RS485 标准
TTL 接口 传输距离 小于 10 米
传输模式 点对点
RS485 接口 接口保护 提供 200W 防雷、防浪涌和 6KV 静电保护
终端电阻 120R,可以通过焊接切换使能
传输距离 约 1200 米
传输模式 点对多
(至多 32 个节点,16个节点以上建议加中继器)
产品外观 尺寸 42.8 x 15.2 x 4.75mm

基本功能

将 TTL 信号转换成平衡差分的 RS485 信号,可用于接口转换,
扩充节点,也可用于延长通信距离

导轨式 TTL 转 RS422 电气隔离型串口转换器基本功能

多重保护 安全耐用 通信稳定

板载电源和信号双隔离,可提供稳定的隔离电压,可靠性高、抗干扰强;内置防雷管和 TVS 瞬态电压抑制管,可有效抑制电路中的浪涌电压和瞬态尖峰电压,防雷防静电;板载自恢复保险丝和保护二极管,可确保电流和电压稳定输出,防过流过压,提高抗冲击能力

导轨式 TTL 转 RS422 电气隔离型串口转换器导轨式串口服务器

体积小巧,易集成

邮票孔沉金工艺,高度集成封装
支持多种方式嵌入组合到各种产品应用

迷你串口通信模块体积小巧
迷你串口通信模块体积小巧

接口简介

指示灯简介
R (RXD) 接收指示灯,有数据从 TTL 接口发入时亮灯
T (TXD) 发送指示灯,有数据从 RS485 接口发入时亮灯
P (PWR) 电源指示灯,接入电源接口,检测到电压则亮灯
导轨式 TTL 转 RS422 电气隔离型串口转换器接口简介
左侧接口说明 右侧接口说明
PE RS485 信号地 GND 电源地/TTL 信号地
RXD TTL 信号接收引脚
B- RS485 差分信号 B- TXD TTL 信号发送引脚
A+ RS485 差分信号 A+ VCC 电源正
DC 3.3V ~ 5V 供电

通信连接示意图

TTL 与 RS485 接口转换,点对点,半双工通信,适用于接口转换

导轨式 TTL 转 RS422 电气隔离型串口转换器通信连接示意图

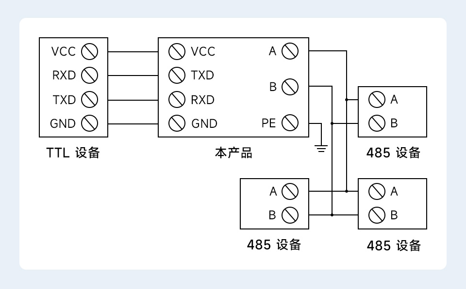
TTL 与 RS485 接口转换,点对多,半双工通信,适用于扩充通信节点

导轨式 TTL 转 RS422 电气隔离型串口转换器通信连接示意图

通过两组 TTL 与 RS485 接口转换,点对点,半双工通信
适用于延长 TTL 的通信距离

导轨式 TTL 转 RS422 电气隔离型串口转换器通信连接示意图

产品尺寸

导轨式 TTL 转 RS422 电气隔离型串口转换器产品尺寸

资料及服务

微雪资料及服务
  • 认准微雪正品
  • 专业技术支持
  • 丰富的资料教程
(例程资料以链接中实际给出的为准)

配置清单

TTL TO RS485 (C)

配置清单

 

保修服务


保修1年



免费保修


保修期内,正常使用下产生的质量问题,比如按键不灵、开关不响应、LED亮度不佳等。
注意:核心器件不属于免费保修范围(包括但不限于CPU、FLASH、 SDRAM 等芯片)。




收费保修


非正常使用情况下产生的质量问题,视损坏程度收取维修费,包括但不限于:
• 供错电压、磕碰、浸水、杂异物进入板内,导致功能损坏
• 用户自行拆卸或焊接零件,修改电路板,导致功能损坏
• 未按用户手册操作,比如供电状态下强行插拔等,导致功能损坏




特殊说明


若产品含有其他配件,配件的保修以其自身保修条款为准,包括但不限于:
• 比如开发板中包含LCD配件,那么,它的保修参照对应LCD的保修条款执行
• 树莓派/NVIDIA/ST等原装进口产品,因国外返修费用高昂,无法保修

售后服务



• 售后服务仅限产品本身,不包括教导相关软件使用等(配套资料已有说明书及软件使用教程)
• 不负责上门服务

• 可通过以下方式联系我们:点击查看