您是否曾经对着手上无法烧写的芯片一筹莫展?因为不知如何挑选适用的座子而莫名烦躁?担心明天不能交差而愁白了头?别急别急,微雪电子赖先生结合多年销售选型经验,为您剖析个中奥妙,让编程座选型从此变得轻松!惬意!
做人要厚道,未经许可不得转载,否则将追究相关法律责任!
本资料主要说明IC编程座选型的一般流程,解析其中重点,并列举具体例子,旨在帮助用户准确快速地选择到匹配目标芯片的编程座。
编程座选型的一般过程如下:
【选型范例】,点击快速前往:
| QFP选型范例 | SOP选型范例 | PLCC选型范例 | QFN选型范例 | BGA选型范例 |
| 【QFP选型范例】 | ↑ TOP |
目标芯片为ATmega48PA-AU,通过查阅其数据手册,获取以下信息:
图1.1 TQFP32封装示意图及尺寸表

根据已知的芯片封装信息,逐步锁定匹配的编程座:
图1.2 TQFP编程座示意图

至此,我们可以确定匹配ATmega48PA-AU的编程座有两款,如图1.3中红框所示:
图1.3 TQFP编程座参数表

温馨提示:
当您手上没有任何选型文档时,请前往微雪的编程座选型列表,根据芯片封装信息,查找匹配的编程座。
点击查看:带板编程座 | 不带板编程座
| 【SOP选型范例】 | ↑ TOP |
目标芯片为ATtiny13A-SU,通过查阅其数据手册,获取以下信息:
图2.1 SOP8封装示意图及尺寸表

根据已知的芯片封装信息,逐步锁定匹配的编程座:
图2.2 SOP编程座示意图

至此,我们可以确定匹配ATtiny13A-SU的编程座有四款,如图2.3中红框所示:
图2.3 SOP编程座参数表

温馨提示:
当您手上没有任何选型文档时,请前往微雪的编程座选型列表,根据芯片封装信息,查找匹配的编程座。
点击查看:带板编程座 | 不带板编程座
| 【PLCC选型范例】 | ↑ TOP |
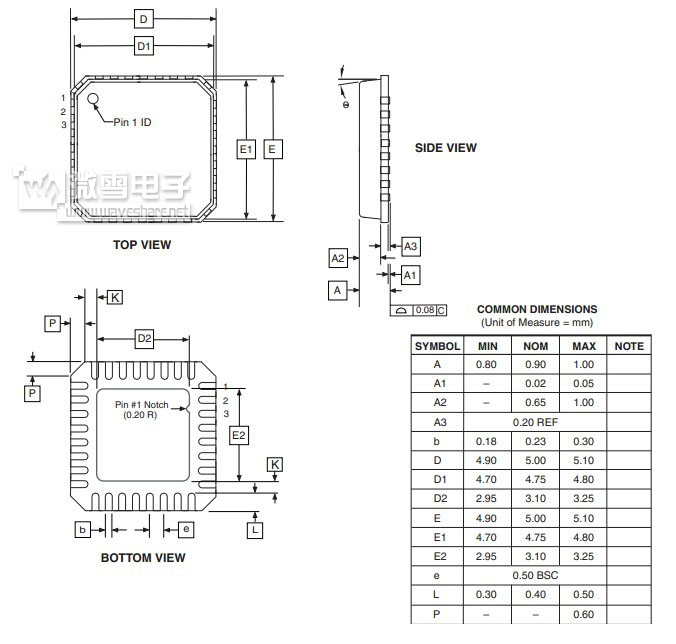
目标芯片为AT89C51ED2-SLSUM,通过查阅其数据手册,获取以下信息:
图3.1 PLCC44封装示意图及尺寸表

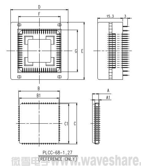
根据已知的芯片封装信息,逐步锁定匹配的编程座:
图3.2 PLCC编程座示意图

至此,我们可以确定匹配AT89C51ED2-SLSUM的编程座有一款,如图3.3中红框所示:
图3.3 PLCC编程座参数表

温馨提示:
当您手上没有任何选型文档时,请前往微雪的编程座选型列表,根据芯片封装信息,查找匹配的编程座。
点击查看:带板编程座 | 不带板编程座
| 【QFN选型范例】 | ↑ TOP |
目标芯片为ATmega88PA-MU,通过查阅其数据手册,获取以下信息:
图4.1 QFN/MLF封装示意图及尺寸表

根据已知的芯片封装信息,逐步锁定匹配的编程座:
图4.2 QFN/MLF编程座示意图

至此,我们可以从某些品牌的选型文档中确定匹配ATmega88PA-MU的编程座有两款,如图4.3中红框所示:
图4.3 QFN/MLF编程座参数表

温馨提示:
当您手上没有任何选型文档时,请前往微雪的编程座选型列表,根据芯片封装信息,查找匹配的编程座。
点击查看:带板编程座 | 不带板编程座
| 【BGA选型范例】 | ↑ TOP |
BGA的全称是Ball Grid Array(球栅阵列结构的PCB),它是集成电路采用有机载板的一种封装法。随着工艺的进步,出现了FBGA、TBGA、PBGA等等的BGA封装。
目标芯片为AT91SAM9G10-CU,通过查阅其数据手册,获取以下信息:
图5.1 BGA封装示意图及尺寸表

根据已知的芯片封装信息,逐步锁定匹配的编程座:
至此,我们可以从某些品牌的选型文档中确定匹配AT91SAM9G10-CU的编程座,如图5.2中红框所示:
图5.2 BGA编程座参数表

温馨提示: